
2025-11-01 00:20:16
流水線阻擋氣缸是工業自動化生產線中的關鍵執行元件,主要用于精細控制物料或工件的流動狀態,其關鍵作用可歸納為以下四點:1.定位與分揀控制阻擋氣缸通過預設的機械阻擋動作,在特定工位對托盤、工裝板或工件進行止停,確保其停留在精確位置45。例如,在裝配線上,氣缸的升降動作可配合傳感器實現不同規格工件的自動分揀,提升加工精度和流程銜接效率。2.緩沖保護與**防護氣缸內置液壓緩沖器或彈簧結構,可吸收高速生產線中物料碰撞產生的沖擊力,減少設備磨損和工件損傷15。例如,當托盤因傳輸速度過快沖向阻擋位時,緩沖裝置能有效抑制反彈,避免設備卡頓或工件偏移,保障生產連續性。3.提升生產節拍與自動化水平通過氣動控制閥的快速響應,氣缸能在毫秒級時間內完成阻擋或釋放動作,明顯縮短工序間隔14。在柔性制造場景中,這種特性支持快速切換生產任務,減少人工干預,降低人力成本。4.靈活適配復雜場景根據生產線需求,氣缸可選用滾輪杠桿式、直接阻擋型等結構,并支持不同缸徑、行程的定制化設計45。例如,在空間受限區域,薄型氣缸可橫向安裝;重型產線則配備導桿結構增強負載能力,確保橫向受力時的穩定性。該氣缸的性能穩定,適合長時間連續工作。柳州亞德客型倍速鏈阻擋氣缸定制

浙江魯藝氣動鋰電池裝配線阻擋氣缸:精細控制,驅動高效生產在鋰電池制造的高速發展浪潮中,鋰電池裝配線阻擋氣缸作為關鍵部件,發揮著不可替代的作用,為整個生產流程的穩定與高效提供了堅實保障。 我們的鋰電池裝配線阻擋氣缸,專為鋰電池裝配線量身打造。其設計精細貼合鋰電池裝配的復雜工況,具備出色的定位精度。在裝配過程中,能夠迅速且準確地阻擋或放行工件,確保每一個鋰電池組件都能精細到位,**提升了裝配的準確性和一致性,有效減少次品率,為企業節省成本、提高效益。 該氣缸擁有強大的動力輸出,能輕松應對鋰電池裝配線上不同重量工件的阻擋需求。即使在長時間、高頻率的工作狀態下,依然能保持穩定的性能,不會出現動力衰減或故障,保障生產的連續性。 同時,我們的鋰電池裝配線阻擋氣缸采用了***的材料和先進的制造工藝,具有良好的耐磨性和耐腐蝕性,**延長了使用壽命。其結構緊湊,安裝便捷,能夠快速融入現有的鋰電池裝配線,無需對生產線進行大規模改造。 選擇我們的鋰電池裝配線阻擋氣缸,就是選擇高效、穩定、可靠的生產解決方案。讓我們攜手共進,以質量的鋰電池裝配線阻擋氣缸,助力鋰電池產業邁向新的高度!攀枝花亞德客型倍速鏈阻擋氣缸定制該氣缸的耐用性使其在惡劣環境中表現出色。

自動化氣缸具有多種優點,使其成為工業自動化中不可或缺的設備。首先,氣缸的響應速度快,能夠在短時間內完成動作,適合高速生產線的需求。其次,氣缸的結構簡單,維護方便,能夠減少設備故障率,降低生產成本。此外,氣缸的負載能力強,能夠適應不同重量和尺寸的工件,具有較高的適應性。氣缸還能夠在惡劣環境下正常工作,如高溫、高濕和粉塵等條件下,表現出良好的穩定性。蕞后,氣缸的能耗相對較低,使用壓縮空氣作為動力源,符合現代工業對節能環保的要求。
氣缸廣泛應用于工業自動化領域,如機械制造、汽車裝配、食品包裝和電子設備等。在機械制造中,氣缸用于夾緊、推拉和定位等操作,提高生產效率。在汽車裝配線上,氣缸用于焊接、噴涂和裝配等工序,確保生產精度。在食品包裝行業,氣缸用于分揀、封口和碼垛等操作,滿足衛生和**要求。此外,氣缸還用于電子設備的精密裝配和檢測,為現代工業提供高效、可靠的動力支持。氣缸的選型與設計需要考慮多個因素,包括負載大小、行程長度、工作壓力和安裝方式等。首先,根據負載大小選擇合適缸徑的氣缸,確保輸出力滿足需求。其次,行程長度應根據實際工作需求確定,避免過長或過短影響使用效果。工作壓力是氣缸選型的關鍵參數,需根據氣源壓力和使用環境進行合理選擇。此外,安裝方式(如法蘭式、腳座式或耳環式)也需根據設備結構進行優化設計,確保氣缸的穩定運行。倍速鏈阻擋氣缸的設計應考慮到操作人員的**。

高效智能,**鋰電池生產的革新力量——鋰電池生產線在新能源產業蓬勃發展的當下,鋰電池生產線作為**生產裝備,正發揮著至關重要的作用。我們公司精心打造的鋰電池生產線,憑借***的性能與先進的技術,成為眾多企業提升競爭力的理想之選。 這條鋰電池生產線集成了高度自動化的生產模塊,從電極制備、電芯組裝到成品檢測,每一個環節都實現了精細控制與高效運行。先進的機械臂和智能控制系統,確保了生產過程的穩定性和一致性,很大提高了生產效率,降低了人為因素帶來的誤差。 我們的鋰電池生產線具備出色的靈活性,能夠根據不同客戶的定制需求,快速調整生產參數和工藝流程,輕松應對多種規格和型號鋰電池的生產。無論是小型消費電子用鋰電池,還是大型動力儲能鋰電池,都能在這條生產線上實現制造。 在質量把控方面,鋰電池生產線配備了***的檢測設備,對每一個電芯和電池組進行嚴格檢測,確保產品符合國際標準和客戶要求。同時,生產線采用了環保節能的設計理念,有效降低了能源消耗和廢棄物排放,為企業實現可持續發展提供了有力支持。 選擇我們的鋰電池生產線,就是選擇高效、智能、環保的未來。讓我們攜手共進,在新能源的浪潮***創輝煌。該氣缸的工作噪音較低,適合安靜環境使用。攀枝花美德樂型倍速鏈阻擋氣缸定制
倍速鏈阻擋氣缸的選型需要根據實際需求進行。柳州亞德客型倍速鏈阻擋氣缸定制
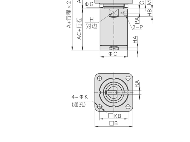
倍速鏈氣缸是一種高效的氣動執行元件,廣泛應用于自動化生產線和機械設備中。其主要功能是通過氣壓驅動,實現快速的直線運動。與傳統氣缸相比,倍速鏈氣缸的設計使其在相同的氣壓條件下,能夠提供更高的速度和更大的負載能力。這種氣缸通常由氣缸本體、倍速機構和鏈條組成,倍速機構通過鏈條的傳動,將氣缸的活塞運動轉化為更快的輸出速度,從而提高了工作效率。倍速鏈氣缸的應用領域包括包裝、搬運、裝配等多個行業,能夠有效提升生產線的自動化水平和生產效率。柳州亞德客型倍速鏈阻擋氣缸定制